A HZ-GFM karimás csapágy egyesíti a radiális teherbírást az axiális beállítás szabályozásával, köszönhetően az integrált karimás kialakításnak. Hőstabilizált polimerekből készült, és ellenáll az időszakos lökésterheléseknek és az autóipari összeköttetések, HVAC lengéscsillapítók vagy anyagmozgató rendszerek eltolódásainak.
Alapvető jellemzők
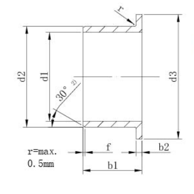
Karima kialakítása: Megakadályozza a tengelyirányú eltolódást; leegyszerűsíti a szerelést puha anyagú házakba.
Anyaga: Üvegszál erősítésű PA66 vagy PEEK a megemelt hőmérséklet-állóság érdekében (rövid távon 180°C-ig).
Telepítés: Kompatibilis préselhető szerszámokkal (pl. PT-1350 sorozat) a gyors összeszerelés érdekében.
Alkalmazások: Szivattyúházak, elektromos működtetőelem-vezetők és szállítógörgők, amelyek kétirányú stabilitást igényelnek.















